A composite autoclave is a specialized pressure vessel designed and manufactured for fabricating composite materials. Made from constituent materials with distinct properties, composites require precise elevated temperature and pressure for optimal characteristics. The industrial composite autoclave is the most effective technique for high-quality composite production. During the manufacturing process, the mold set is placed inside the autoclave where it undergoes controlled curing to form both surfaces of the panel.


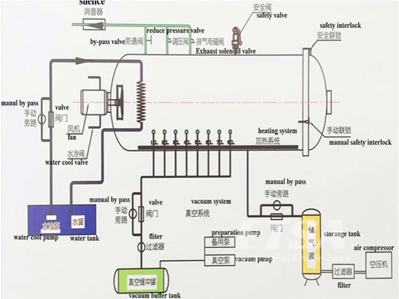
The High Pressure Composite Autoclave consists of ten integrated systems:
Primarily used for high-temperature and high-pressure processing of composite materials for space vehicles, aerospace components, and strengthening carbon fiber or glass fiber products.


| Design Parameter | Specifications |
|---|---|
| Effective Diameter | 500-4500mm |
| Effective Length | 1000-20000mm |
| Working Temperature | 100-450ºC |
| Working Pressure | 0.5-5.0Mpa |
| Pressure Raising Speed | 0.1Mpa/min (adjustable) |
| Temperature Raising/Lowering Speed | 0.5-7 ºC/min (adjustable) |
| Temperature Accuracy | ±1.2 ºC |
| Cooling Methods | Water Cooling / Wind Cooling |
| Vacuum Degree | -0.098Mpa (absolute) |
| Continuous Working Ability | ≥ 50 hours |







